KliK.co.yu

 

 

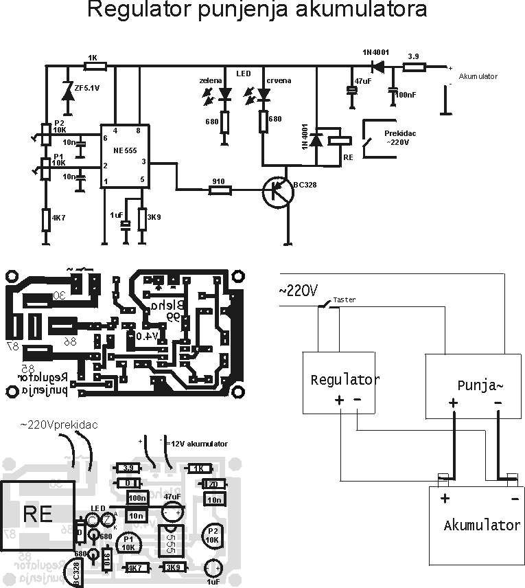
RE= Relejcic za auto-elektriku (najbolje ljubicasti sa buvljaka, a moze i zeleni)

PODESAVANJE:
Podesavanje se vrsi uz pomoc stabilisanog ispravljaca sa mogucnoscu regulacije
napona.
Kleme + i - regulatora spajamo na odgovarajuce kleme ispravljaca. Napon 
ispravljaca postavimo na 13.8V, a potenciometar P1 podesimo tako da relej iznad
tog napona iskljucuje. Trimer potenciometar P2 podesavamo tako da relej ukljucuje
pri naponu ispravljaca od 12.5V. 
Prikljucivanje na akumulator najbolje je uraditi kako je to prikazano na skici desno, 
a ako regulator ugradjujete u kuciste punjaca, potrebno je dodatno podesavanje zbog
uticaja otpornosti kablova.
Posto regulator za svoj rad koristi napon akumulatora, pri radu sa jako ispraznjenim 
akumulatorom (ispod 8V) moze se desiti da regulator ne ukljuci punjenje. Punjenje tada 
mozete zapoceti pritiskom na taster prikazan na skici. Posle 1-2 minuta napon akumulatora
ce biti dovoljan za rad, pa regulator dalje preuzima proces punjenja.

Driveway - Up To 100 MB Free Online File Storage Banner 10000002 120 x 60 Get Paid Banner 10000019